更多
更多
全站搜索
更多
更多
首 页
关于我们
公司简介
企业文化
组织机构
营销网络
新闻资讯
公司新闻
行业动态
业务类型
方案规划
原理设计
EDA设计
生产加工
原料采购
设计案例
消费类
医疗类
工控类
军工类
其他
联系我们
联系方式
信息反馈
售后服务
更多
地 址:无锡市菱湖大道200号D2-623
电 话:0510-85380092
手 机:+86 18621663839
邮 箱:
james_liu@kmv-tech.com
网 址:
www.kmv-tech.com
方案规划
原理设计
EDA设计
仿真分析
生产加工
原料采购
更多
整体方案设计
SMT产线
时序仿真分析
生产车间
器件采购
SMT流水线
我们的设计流程
我们的设计能力
车间概览
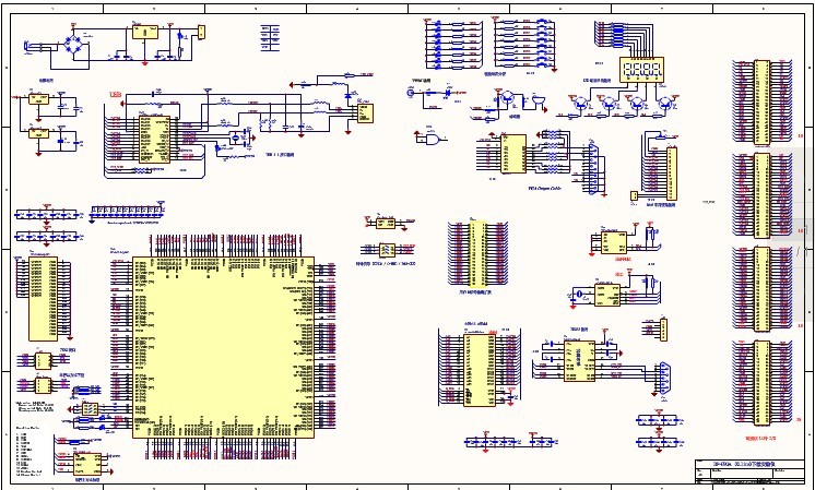
原理图设计
共11条 每页20条 页次:1/1
首页
上一页
1
下一页
第1页
尾页
图片检索
您现在的位置:
凯盟威电子科技有限公司
>
服务类型
更多
脚注栏目
更多
|
关于我们
|
新闻动态
|
资料下载
|
联系我们
|
售后服务
|
人力资源
|
友情链接
|
脚注信息
更多
版权所有 Copyright(C)2013-2014 凯盟威电子科技有限公司